化粪池的种类有钢筋混凝土化粪池、砖砌化粪池、钢结构化粪池等,以下是针对这三种化粪池的简单操作说明:
1、确定合适的场地:选择地势平坦、排水良好的地方,以便于后续施工和维护。
2、基础处理:清理场地上的杂物,整平地面,并进行夯实处理。根据设计图纸,开挖并铺设基础垫层。
3、砖块准备:选择符合要求的砖块,并进行必要的加工,如切割、磨边等。
4、砌筑:按照设计图纸和施工规范,逐层砌筑化粪池的墙壁,确保砖块之间的缝隙紧密,无渗漏。
5、安装进出口管道:根据设计要求,安装化粪池的进出口管道,确保连接处密封良好。
6、验收与回填:完成施工后,进行验收并确保符合要求。然后回填土方,恢复地面。

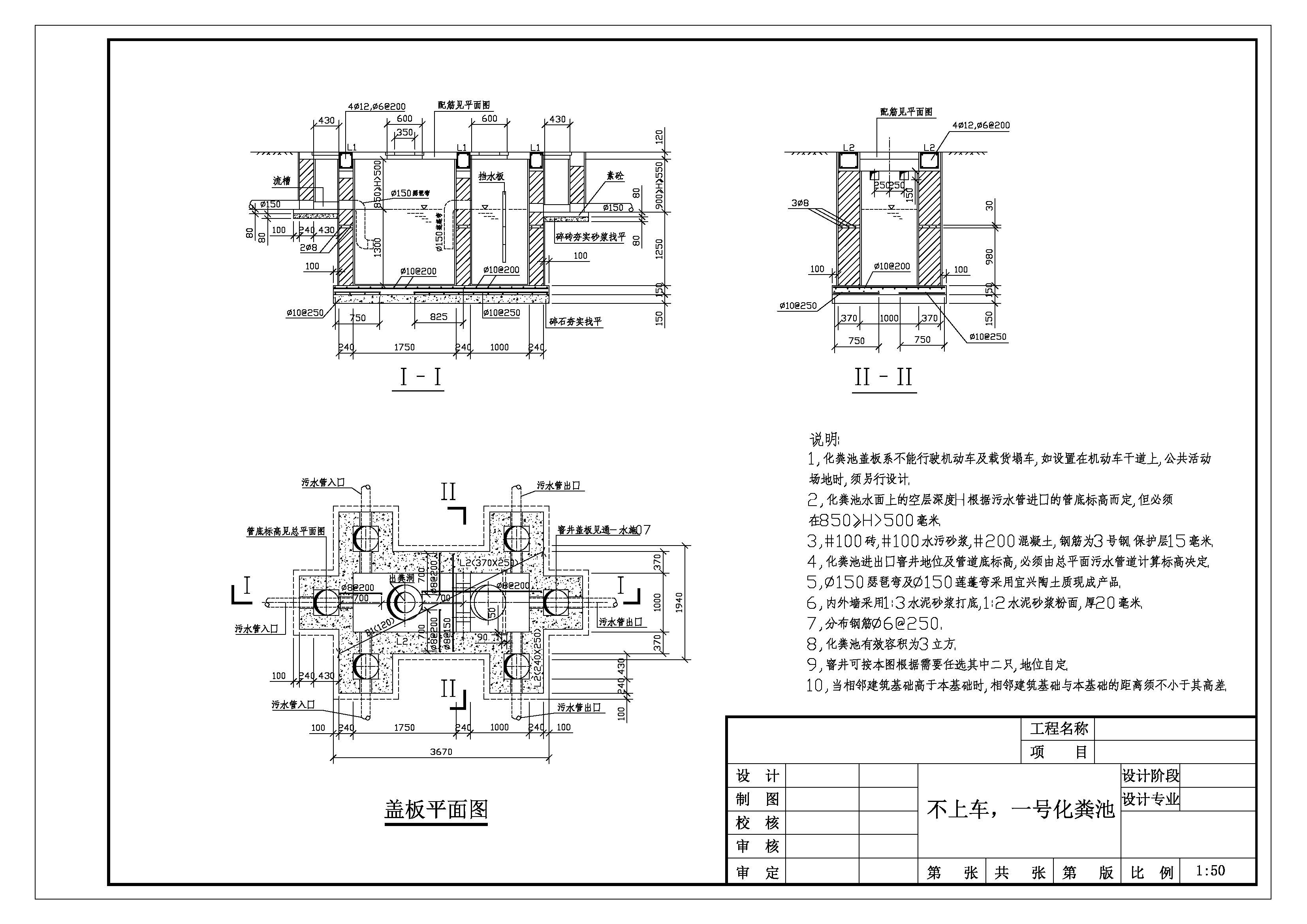
附件:
砖砌化粪池CAD扩初图
常用砖砌化粪池大样图.zip
1、确定场地并开挖:选择合适的场地并清理,然后按照设计图纸进行开挖。
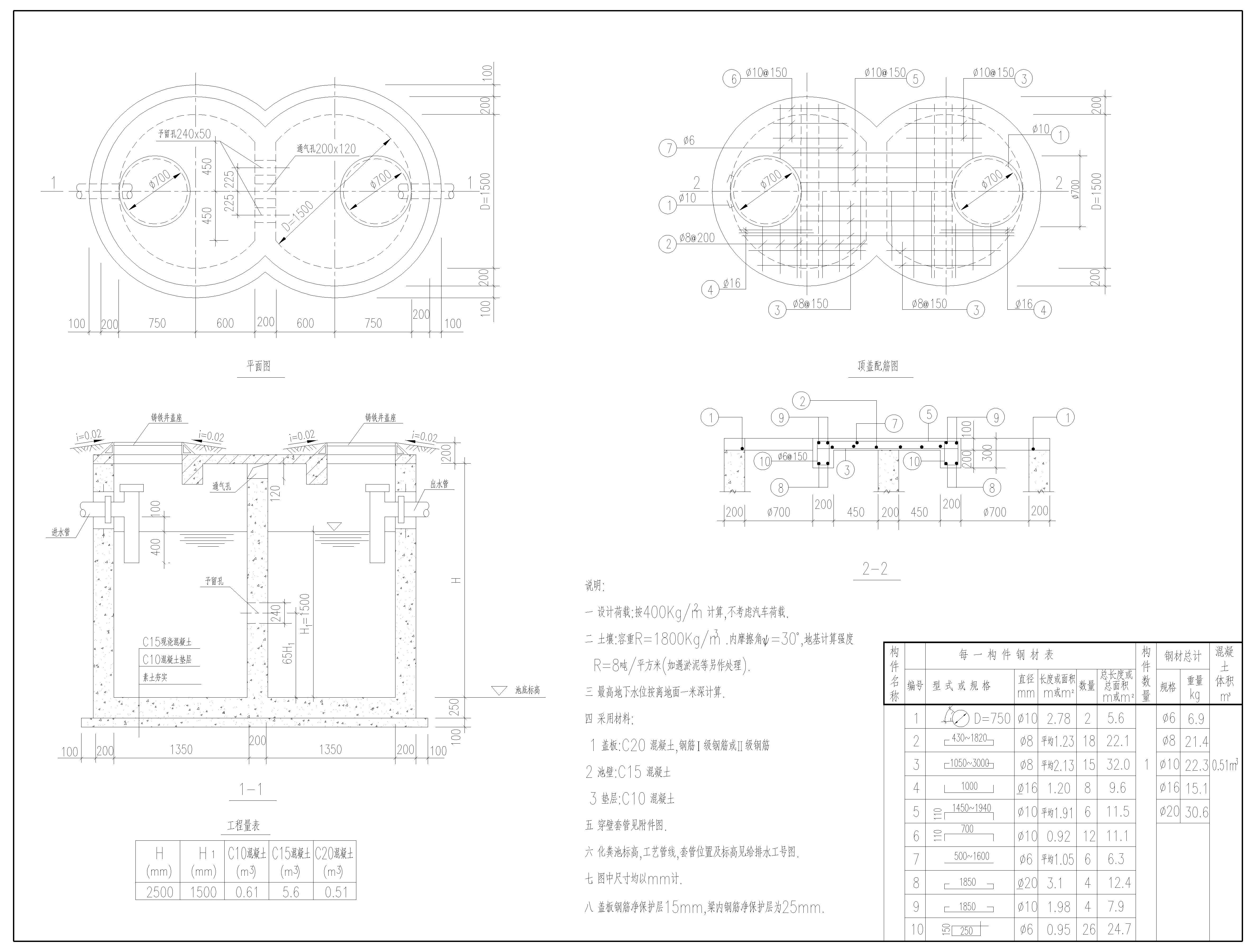
2、制作钢筋笼:根据设计图纸,准备适量的钢筋材料,并制作成钢筋笼结构。
3、浇筑混凝土:将钢筋笼放置在适当的位置,然后浇筑混凝土,形成化粪池的墙壁和底部。
4、安装进出口管道:在混凝土初凝前,根据设计要求安装进出口管道。
5、养护与回填:混凝土达到一定强度后进行养护,然后进行回填土方,恢复地面。

1、确定场地并安装基础:选择合适的场地并清理,然后根据设计图纸安装化粪池的基础结构。
2、准备钢结构材料:选择合适的钢材、连接件等材料,并进行必要的加工处理。
3、组装钢结构:按照设计图纸和施工规范,组装化粪池的钢结构框架。确保连接牢固、稳定。
4、安装内部衬砌材料:在钢结构内部安装衬砌材料,如玻璃钢或耐腐蚀的衬里材料。
5、安装进出口管道及配件:根据设计要求,安装进出口管道及相应的阀门、管道配件等。
6、验收与回填:完成施工后进行验收,确保符合要求。然后回填土方,恢复地面。

附件:
钢结构化粪池.zip


Copyright @2020 北京益程信息咨询有限公司 ©版权所有 备案号:京ICP备2021027301号-1 京B2-20214075
联系地址:北京市丰台区丰管路甲1号北楼三层302-3289室
联系电话:13834789121